TERMO PLUS s.r.o.
  • Facebook
  • slovak
  • english
SlideshowSlideshowSlideshowSlideshowSlideshow

Svahové oporné tvárnice

Miniflor

Príroda volá, nechajte rozkvitnúť vaše múry. Svahové oporné tvárnice sú riešením pre spevnenie svahu, či na úpravu terasovitej záhrady.

Systém MINIFLOR sa uplatňuje na spevnenie a zazelenenie svahov, na optické oddelenie priestoru ako aj na zhotovenie protihlukových bariér.

Svahové oporné tvárnice Miniflor:

Používa sa predovšetkým v záhradách, vidieckej a mestskej architektúre. Okrem priamych stien je možné uloženie do oblúkov. Tvárnice Miniflor sú vhodné na úpravu terasovitej záhrady alebo spevneného kvetinového svahu.

  • individuálnosť a farebnosť riešení
  • jednoduchá a rýchla montáž
  • veľký rozsah použiteľnosti
  • efektný vzhľad pri vysokých úžitkových vlastnostiach
  • sklon steny môže byť od 62° do 74°

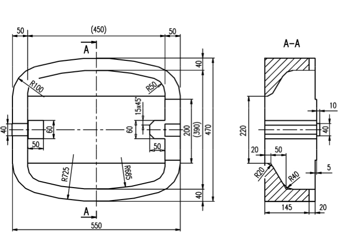
Technické informácie

svahová tvárnica normál

 

Výrobné rozmery svahových tvárnic Miniflor

rozmer: 55 x 47 cm
výška: 17 cm
spotreba: 6,50 ks/m2
hmotnosť: 38 kg/ks
bližší popis: max. výška svahu: 2,4 m

Na stiahnutie


Oporné tvárnice Miniflor
 Typový list

Realizácie

MiniflorMiniflorMiniflorMiniflorMiniflor
MiniflorMiniflor

Ďalšie produkty:

Premac - ELKO
Premac - ELKO
Oblé okraje flair
Oblé okraje flair
Miniflor
Miniflor
Miniflor light
Miniflor light
Softi
Softi
Softi Max
Softi Max
Duoflor
Duoflor
Varioflor
Varioflor
Uloženie tvárnic
Uloženie tvárnic