TERMO PLUS s.r.o.
  • Facebook
  • slovak
  • english
SlideshowSlideshowSlideshowSlideshowSlideshow

Svahové oporné tvárnice

Miniflor light

Vaše múry sa nadchnú i so svahovým systémov Miniflor - light, s jemne drsným zrnitým povrchom, vhodným pre spevnenie svahu hlavne do menších výšok.

Tvárnice Miniflor-light sú menšou variantou tvárnic Miniflor, svojimi rozmermi sú vhodné na oporné stienky menších výšok. Systém MINIFLOR-LIGHT sa uplatňuje na spevnenie a zazelenenie menších svahov, na optické oddelenie priestoru ako aj na zhotovenie protihlukových bariér.

Svahové oporné tvárnice Miniflor - light:

Používa sa predovšetkým v záhradách, vidieckej a mestskej architektúre. Okrem priamych stien je možné uloženie do oblúkov.

  • individuálnosť a farebnosť riešení
  • jednoduchá a rýchla montáž
  • veľký rozsah použiteľnosti
  • efektný vzhľad pri vysokých úžitkových vlastnostiach
  • betónové tvárnice z prostého betónu sú vibrolisované s priebežnou dutinou na zásypový materiál.

Technické informácie

svahová tvárnica normál

 

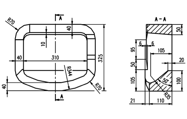
Výrobné rozmery svahových tvárnic Miniflor light

rozmer: 39 x 32,5 cm
výška: 12,5 cm
spotreba: 11,50 ks/m2
hmotnosť: 16,5 kg/ks
bližší popis: max. výška svahu: 1,6 m

Na stiahnutie


Svahové oporné tvárnice Miniflor light
 Typový list

Realizácie

Miniflor light

Ďalšie produkty:

Premac - ELKO
Premac - ELKO
Oblé okraje flair
Oblé okraje flair
Miniflor
Miniflor
Miniflor light
Miniflor light
Softi
Softi
Softi Max
Softi Max
Duoflor
Duoflor
Varioflor
Varioflor
Uloženie tvárnic
Uloženie tvárnic